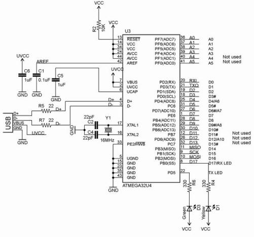
L'Arduino Pro-Micro ATmega32U4 Leonardo Compatibile utilizza un microcontrollore ATmega32U4 che consente di aggiungere la connessione USB e di eliminare l'interfaccia USB esterna. Il microcontrollore ATmega32U4 ha la stessa quantità di memoria FLASH e di memoria RAM dell l'ATmega328 utilizzato sulla Arduino Uno e dispone di 4 canali ADC a 10 bit, 5 pin PWM, 12 pin di I/O, delle connessioni seriali hardware Rx e Tx e del regolatore a 5V.
L'Arduino Pro-Micro ATmega32U4 Leonardo Compatibile può apparire ad un computer collegato come mouse o una tastiera.
Caratteristiche:
Microcontrollore ATmega32U4
Alimentazione a 5 Vcc tramite USB
Alimentazione esterna da 7 Vcc a 12Vcc
Clock a 16MHz
4 pin ADC a 10 bit
12 pin di I/O (di cui 5 utilizzabili come PWM)
Connessioni seriali hardware Rx e Tx

